Crosby IPモデル IPBTO10

商品詳細

  • さまざまな容量とジョー開口部があります。
  • ご要望に応じて、より高い作業荷重の制限も可能です。
  • 強度と小型化のための合金鋼ボディ。必要に応じて鍛造合金部品。
  • 使用荷重の2倍まで個別にプルーフテスト済み。
  • Crosby IPのロゴ、使用荷重限度、ジョー開度が本体に刻印されています。
  • 各製品にはシリアルナンバーが刻印されており、本体にはシリアルナンバーとプルーフロード試験日が刻印されています。各クランプには試験証明書付きの取扱説明書が付属しています。
  • メンテナンスキットや修理キットも用意されている。
  • 温度範囲 -40 °C ~ +212 °F (+100 °C)

ビデオ

型式 IPBTO10

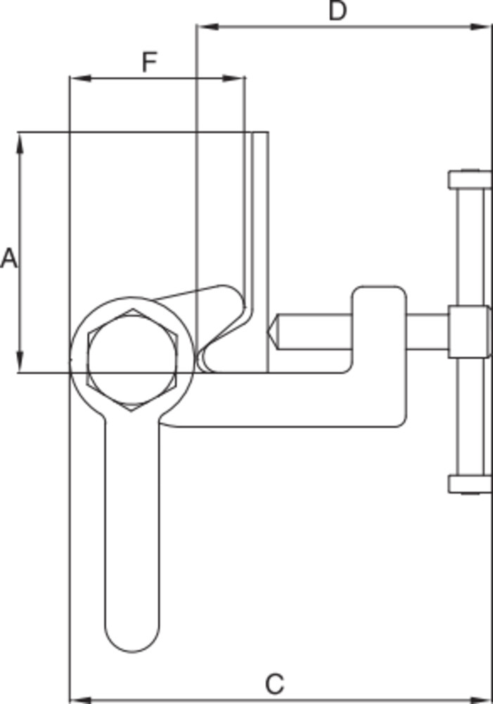
モデル使用限界荷重(t)在庫番号重量(ポンド)寸法(インチ)
プロファイル ABCDEF
IPBTO101.5
2700980
11.0HP 6.5 - 9.445.397.40-8.235.08-5.912.683.19
IPBTO103
2700986
13.0馬力 9.44 - 12.565.397.40-8.545.71-6.852.683.07
IPBTO106
2700991
28.7HP 11.75 - 17.007.2810.03-11.697.68-9.293.234.02
モデル使用限界荷重(t)在庫番号各重量(kg)寸法(mm)
プロファイル ABCDEF
IPBTO101.5
2700980
4.3HP 160-240137188-209129-1506881
IPBTO103
2700986
6.0HP 240-320137188-217145-1746878
IPBTO106
2700991
13.0HP 300-430185255-297195-23682102

エンジンルームや船舶のセクションなど、HP(バルブ)プロファイルで補強されたスペースで、一時的なタックルアイとして使用する。

*EN 13155およびASME B30.20に基づく設計係数。

プロファイルAは、ホーランド・バルブ(HP)のスタイルとサイズの材料のタイプである。

ダイアグラム画像

図1
図2
図3
図4