閉じる
コンテンツへスキップ
チャネル
パートナー
会社案内
ニュース
イベント
コミュニティ
概要
繁栄への架け橋
Lifting for the Troops
オーシャン・クリーンアップ
パラリンピック日本代表
品質
エンジニアード・ソリューションズ
ブランド
Kito
Crosby
Harrington
Gunnebo Industries
Peerless
eepos
製品紹介
Kito
Crosby
Harrington
Gunnebo Industries
Peerless
eepos
リソース
産業
トレーニング
概要
エンドユーザー (ユニバーシティ)
概要
Kito
Crosby
概要
オンサイト・トレーニング
トレーニング教材のご注文
証明書の再発行
Crosbyの動画
フィードバック
Harrington
Peerless
チャネルパートナー(アカデミー)
概要
Kito
Crosby
Harrington
Peerless
トレーニングアライアンスプログラム
オンサイト・トレーニング
採用情報
連絡先
セールス/カスタマーサービス
クランプ修理センター
カタログ
>
Crosby カタログ
>
荷重固定
>Crosby S-247 ダブルクレビスリンク
製品検索
Crosby S-247 ダブルクレビスリンク
SKU:
GRRR430
カテゴリー
荷重固定
商品詳細
全ピン合金鋼 - 焼入れ&焼戻し。
ボディは鍛造と熱処理を施した炭素鋼。
すべての一般的なサイズのグレード 3およびグレード 4チェーンを、リング、エンド・リンク、アイ・フック、パッド・アイ、トラクター・アイボルトなどにつなぐために設計されています。
素早く簡単な組み立てが特徴。
×
CADファイルとPDFファイルのダウンロード
名
(必須)
姓
(必須)
会社名
必須
Eメール
(必須)
電話番号
(必須)
役職名
(必須)
郵便番号
必須
電子メール
このフィールドは検証用であり、変更しないでください。
ビデオ
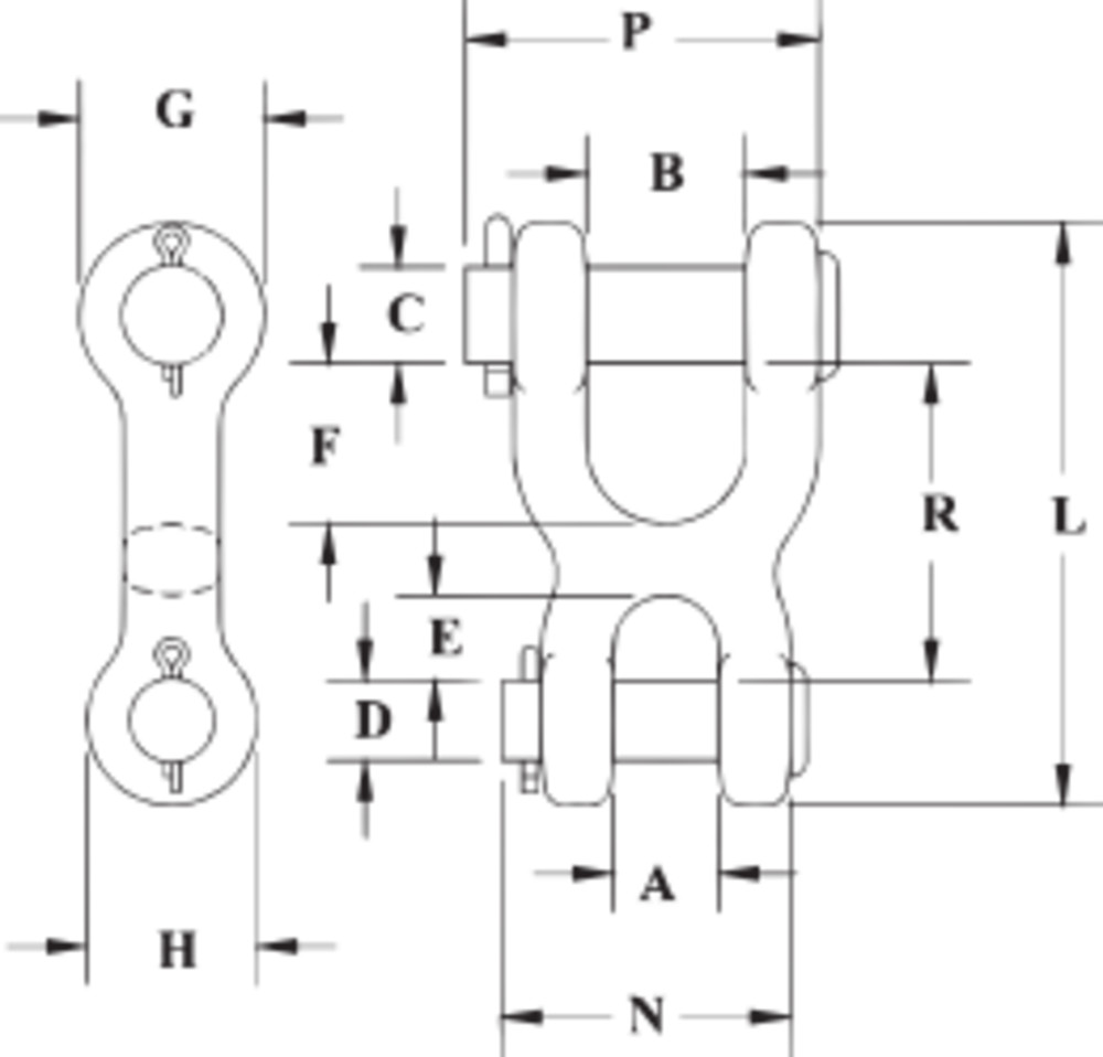
S-247 ダブルクレビスリンク
インペリアル
メートル
チェーンサイズ(インチ)
在庫番号
使用荷重(ポンド)
重量(ポンド)
寸法(インチ)
A
B
C
D
E
F
G
H
L
N
P
R
1/4
1013021
2600
.38
.50
.75
.50
.31
.38
.75
1.00
.81
2.81
1.38
1.66
1.50
5/16-3/8
1013049
5400
.81
.56
1.00
.63
.44
.47
1.00
1.19
1.00
3.53
1.75
2.25
1.91
7/16
1013067
7200
1.25
.69
1.13
.69
.56
.59
1.09
1.31
1.19
4.06
2.00
2.50
2.19
1/2
1013085
9200
1.56
.81
1.25
.75
.63
.68
1.25
1.44
1.31
4.53
2.25
2.75
2.47
チェーンサイズ (mm)
在庫番号
許容荷重 (kg)
各重量(kg)
寸法(mm)
A
B
C
D
E
F
G
H
L
N
P
R
7
1013021
.17
12.7
19.1
12.7
7.85
9.65
19.1
25.4
20.6
71.5
35.1
42.2
38.1
8-10
1013049
.37
14.2
25.4
16.0
11.2
11.9
25.4
30.2
25.4
89.5
44.5
57.0
48.5
11
1013067
.57
17.5
28.7
17.5
14.2
15.0
27.7
33.3
30.2
103
51.0
63.5
55.5
13
1013085
.71
20.6
31.8
19.1
16.0
17.3
31.8
36.6
33.3
115
57.0
70.0
62.5
* 極限荷重は使用荷重限度の4倍。
オーバーヘッド・リフティングで使用されるグレード80またはGrade 100のチェーンおよびチェーンスリングとの使用には適していません。
ダイアグラム画像
ダウンロード
ダウンロード
カタログページ インペリアル
カタログページ メトリック
印刷版カタログのダウンロード (PDF)
現地のセールス・マネージャーを探す
製品の認証
Crosby Gunnebo Industries 専用
証明書の真正性を確認する
Crosby Gunnebo Industries
✖