Close
Skip to content
CHANNEL
PARTNERS
About
News
Events
Community
Overview
Bridges to Prosperity
Lifting for the Troops
The Ocean Cleanup
Japan Paralympic Team
Quality
Engineered Solutions
Brands
Kito
Crosby
Harrington
Gunnebo Industries
Peerless
eepos
Products
Kito
Crosby
Harrington
Gunnebo Industries
Peerless
eepos
Resources
Industries
Training
Overview
End User (University)
Overview
Kito
Crosby
Overview
Request On-Site Training
Order Training Materials
Certificate Reprints
Crosby Videos
Feedback
Harrington
Peerless
Channel Partner (Academy)
Overview
Kito
Crosby
Harrington
Peerless
Training Alliance Program
Request On-Site Training
Careers
Contact
Sales/Customer Service
Clamp Repair Centers
Catalogs
>
Crosby Catalog
>
Chain & Accessories
> Crosby A-1359 Clevis Foundry Hook
Products search
Crosby A-1359 Clevis Foundry Hook
SKU:
GRRR411
Category:
Chain & Accessories
Product details
Forged alloy steel — Quenched & Tempered.
Individually Proof Tested to 2-1/2 times the Working Load Limit with certification.
Each hook has a Product Identification Code (PIC) for material traceability, along with the size and the name Crosby.
Suitable for use with Grade 100 and Grade 80 chain.
Fatigue rated to 20,000 cycles at 1-1/2 times the Working Load Limit.
Hook can be tip loaded at the reduced Working Load Limit, see section 17.
Operator must ensure the load is retained properly in the hook.
×
Download CAD & PDF Files
First Name
(Required)
Last Name
(Required)
Company
(Required)
Email
(Required)
Phone
(Required)
Job Title
(Required)
Postal Code
(Required)
Comments
This field is for validation purposes and should be left unchanged.
Videos
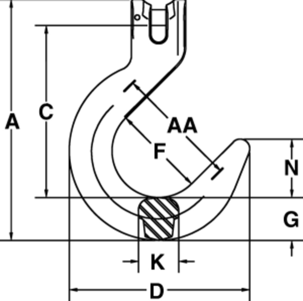
A-1359 Clevis Foundry Hook
Imperial
Metric
Chain Size
Stock No.
Working Load Limit at Saddle of Hook (lb)
Working Load Limit at Tip of Hook (lb)
Weight Each (lb)
Dimensions (in)
(in)
(mm)
A
C
D
F
G
K
N
Deformation Indicators AA
1/4
7
1049907
4300
2150
2.15
6.26
4.38
4.82
2.50
1.13
0.88
1.57
3.50
5/16
8
1049911
5700
2850
2.06
6.26
4.37
4.82
2.50
1.13
0.88
1.57
3.50
3/8
10
1049916
8800
4400
4.29
7.76
5.54
5.82
3.00
1.38
1.30
1.88
4.00
1/2
13
1049925
15000
7500
7.97
9.38
6.67
7.04
3.50
1.63
1.50
2.25
4.50
5/8
16
1049934
22600
11300
14.2
11.25
7.68
8.17
4.00
2.19
1.75
2.53
5.00
3/4
18-20
1049943
35300
17650
24.7
14.43
9.79
9.65
5.00
2.40
2.20
3.39
6.00
7/8
22-23
1049952
44100
22050
43.8
16.25
11.02
11.03
5.50
3.07
2.72
3.74
6.50
Chain Size
Stock No.
Working Load Limit at Saddle of Hook (t)
Working Load Limit at Tip of Hook (t)
Weight Each (kg)
Dimensions (mm)
(in)
(mm)
A
C
D
F
G
K
N
Deformation Indicators AA
1/4
7
1049907
2.0
1.0
0.98
159.0
111.3
122.4
63.5
28.7
22.4
39.9
88.9
5/16
8
1049911
2.6
1.3
0.93
159.0
111.0
122.4
63.5
28.7
22.4
39.9
88.9
3/8
10
1049916
4.0
2.0
1.95
197.1
140.7
147.8
76.2
35.1
33.0
47.8
101.6
1/2
13
1049925
6.8
3.4
3.62
238.3
169.4
178.8
88.9
41.4
38.1
57.2
114.3
5/8
16
1049934
10.3
5.1
6.44
285.8
195.1
207.5
101.6
55.6
44.5
64.3
127.0
3/4
18-20
1049943
16.0
8.0
11.2
366.5
248.7
245.1
127.0
61.0
55.9
86.1
152.4
7/8
22-23
1049952
21.0
10.0
19.9
412.8
279.9
280.2
139.7
78.0
69.1
95.0
165.1
4:1 Design Factor.
Diagram Images
Downloads
Downloads
Catalog Page Imperial
Catalog Page Metric
Applications & Warnings
Download print version of the catalog (PDF)
Locate a local sales manager
Authenticate your product
For Crosby and Gunnebo Industries products only
Verify authenticity of a certificate
For Crosby and Gunnebo Industries products only
✖