Crosby G-2130A Alloy Bolt Type Anchor Shackles Grade 8

SKU: GRRRR83 Category:

Product details

  • Forged alloy steel, Quenched & Tempered, with bow and bolt.
  • Meets or exceeds all requirements of Grade 8 shackles.
  • Working Load Limit permanently shown on every shackle.
  • Hot-dip galvanized.
  • Meets or exceeds all requirements of ASME B30.26, including identification, ductility, design factor, proof load, and temperature requirements. Importantly, G-2130A meet other critical performance requirements, including impact properties, and material traceability not addressed by ASME B30.26.
  • Shackles can be furnished proof tested with certificates to designated standards, such as ABS, DNV, Lloyds, or other certification when requested at time of order.
  • Type Approval and certification in accordance with DNV 2.7-1 offshore containers.
  • Shackles are Quenched & Tempered and meet DNV impact requirements of 42 Joules (31 ft-Ib) at -40° C (-40° F).
  • G-2130A Bolt Type Anchor shackles with thin head bolt – nut with cotter pin. Meets the performance requirements of Federal Specification RR-C-271H, Type IVA, Grade B, Class 3, except for those provisions required of the contractor.

Videos

G-2130A Alloy Bolt Type Anchor Shackles Grade 8

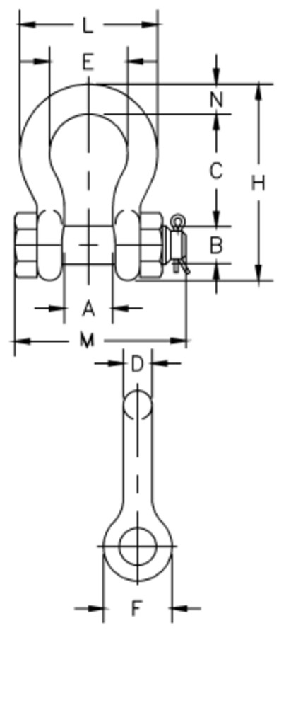
SizeStock No.Weight Each (lb)Dimensions (in)
Nominal Size (in.)WLL (t)AA Tol +/-BCC Tol. +/-DEFGHLMN
1/22
1219472
.79.81.06.641.88.13.501.311.182.313.282.312.80.50
5/83.25
1219491
1.371.06.06.772.38.25.621.691.502.934.192.933.56.69
3/44.75
1219516
2.711.25.06.902.81.25.752.001.813.504.973.504.15.81
7/86.5
1219534
3.951.44.061.023.31.25.882.282.104.045.834.044.82.97
18.5
1219552
5.031.69.061.153.76.251.002.692.384.696.564.695.391.06
1-1/89.5
1219578
8.271.81.061.254.27.251.162.912.685.157.475.155.901.25
1-1/412
1219598
11.72.03.061.414.69.251.293.263.005.768.265.766.691.38
1-3/813.5
1219614
15.82.25.131.535.22.251.423.623.316.389.166.387.211.50
1-1/217
1219632
19.02.38.131.665.76.251.533.883.626.9410.06.947.731.62
SizeStock No.Weight Each (kg)Dimensions (mm)
Nominal Size (in.)WLL (t)AA Tol +/-BCC Tol. +/-DEFGHLMN
1/22
1219472
.36211.516483.31333305983597113
5/83.25
1219491
.62271.520616.416433875106749018
3/44.75
1219516
1.23321.523726.4195146891268910521
7/86.5
1219534
1.79371.526846.422585310314810312225
18.5
1219552
2.28431.529966.425686111916711913727
1-1/89.5
1219578
3.75461.5321086.430746813119013115032
1-1/412
1219598
5.31521.5361196.433837614621014617035
1-3/813.5
1219614
7.17573.3391336.436928416223316218338
1-1/217
1219632
8.62613.3421466.439999217625417619641

8:1 Design Factor. Maximum Proof Load is 2.5 times the Working Load Limit. For Working Load Limit reduction due to side loading applications, see Warnings & Applications.

Diagram Images

Diagram 1