Crosby G-2150 Bolt Type Chain Shackles

SKU: GRRR199 Category:

Product details

  • Working Load Limit and Grade 6 permanently shown on every shackle.
  • Forged, Quenched & Tempered, with alloy pins.
  • Hot-dip galvanized. 85 ton shackles have hot-dip galvanized bows and the bolts are Dimetcoted® and painted red.
  • Sizes 3/8 inch and below are mechanically galvanized.
  • Fatigue rated to 20,000 cycles at 1-1/2 times the Working Load Limit. (1/2t - 55t).
  • Approved for use at -40° F (-40° C) to 400° F (204° C).
  • Meets or exceeds all requirements of ASME B30.26.
  • Sizes 1/2 - 25t meet the performance requirements of EN13889:2003.
  • Shackles 55 metric tons and smaller can be furnished proof tested with certificates to designated standards, such as ABS, DNV, Lloyds, or other certification when requested at time of order.
  • Type Approval certification in accordance with ABS Marine Vessel Rules, ABS Mobile Offshore Units, and ABS Guide for the Certification of Lifting Appliances available. Certificates available when requested at time of order and may include additional charges.
  • Meets the performance requirements of Federal Specification RR-C-271, Type IVB, Grade A, Class 3, except for those provisions required of the contractor.
  • All 2150 shackles can meet charpy requirements of 31 ft-lb (42 Joules) avg at -4° F (-20° C) upon special request.
  • Look for the Red Pin®... the mark of genuine Crosby quality.

Videos

G-2150 Bolt Type Chain Shackles

SizeStock No.Weight Each (lb)Dimensions (in)Replacement Bolt Stock No.
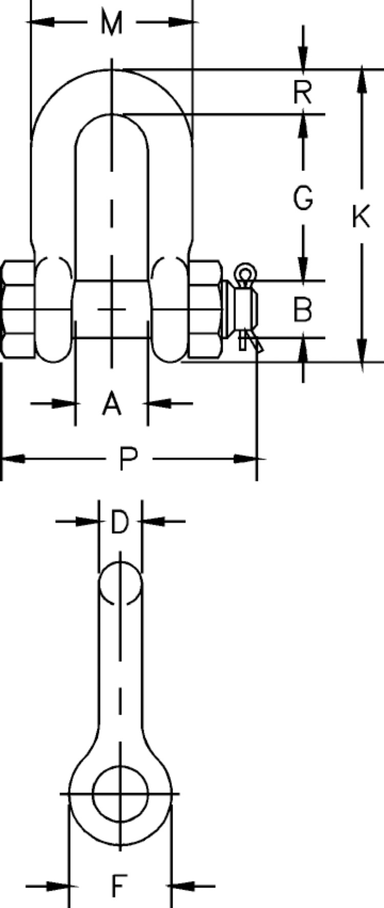
Nominal Size (in.)WLL (t) CarbonAA Tol +/-BCC Tol. +/-DFGHMP
1/41/2
1019768
.13.47.06.32.87.06.25.62.971.591.56.25-
5/163/4
1019770
.23.53.06.381.04.06.31.751.151.911.82.31-
3/81
1019772
.33.66.06.441.25.13.38.921.422.312.17.38-
7/161 1/2
1019774
.49.75.06.501.45.13.441.061.632.672.51.44-
1/22
1019775
.75.81.06.641.62.13.501.181.813.032.80.50-
5/83 1/4
1019793
1.471.06.06.772.00.13.631.502.323.763.56.63-
3/44 3/4
1019819
2.521.25.06.902.38.25.751.812.754.534.15.81-
7/86 1/2
1019837
3.851.44.061.022.81.25.882.103.205.334.82.97-
18 1/2
1019855
5.551.69.061.153.18.251.002.383.695.945.391.00-
1-1/89 1/2
1019873
7.601.81.061.253.56.251.132.684.076.785.901.251082839
1-1/412
1019891
10.812.03.061.413.93.251.253.004.537.506.691.381082857
1-3/813 1/2
1019917
13.752.25.131.534.38.251.383.315.018.287.211.501082875
1-1/217
1019935
17.012.38.131.664.80.251.503.625.389.057.731.621082893
1-3/425
1019953
31.402.88.132.035.76.251.754.196.3810.979.632.121082919
235
1019971
46.753.25.132.316.75.252.105.007.2512.7410.772.361082937
2-1/255
1019999
85.004.12.252.818.00.252.635.689.3814.8513.532.631082955
3† 85
1020013
124.255.00.253.308.50.253.006.5011.0016.8715.133.501084449
SizeStock No.Weight Each (kg)Dimensions (mm)Replacement Bolt Stock No.
Nominal Size (in.)WLL (t) CarbonAA Tol +/-BCC Tol. +/-DFGHMP
1/41/2
1019768
.06121.58221.56162540406-
5/163/4
1019770
.10141.510261.58192949468-
3/81
1019772
.15171.511323.3102336595510-
7/161 1/2
1019774
.22191.513373.3112741686411-
1/22
1019775
.34211.516413.3133046777113-
5/83 1/4
1019793
.67271.520513.3163859969016-
3/44 3/4
1019819
1.14321.523616.419467011510521-
7/86 1/2
1019837
1.75371.526716.422538113512225-
18 1/2
1019855
2.52431.529816.425619415113725-
1-1/89 1/2
1019873
3.45461.532906.42968103172150321082839
1-1/412
1019891
4.90521.5361006.43276115191170351082857
1-3/813 1/2
1019917
6.24573.3391116.43584127210183381082875
1-1/217
1019935
7.72613.3421226.43892137230196411082893
1-3/425
1019953
14.2733.3521466.445106162279245541082919
235
1019971
21.2833.3591716.453127184324274601082937
2-1/255
1019999
38.61056.4712036.467144238377344671082955
3† 85
1020013
56.41276.4842166.476165279428384891084449

6:1 Design Factor. Maximum Proof Load is 2 times the Working Load Limit. For Working Load Limit reduction due to side loading applications, see Warnings & Applications.

† Individually Proof Tested with certification.

Diagram Images

Diagram 1